Геошпунт

Геошпунт — это профилированные ПВХ-шпунты с замковыми соединениями, обеспечивающими вертикальное сцепление профилей для создания защитных стен в грунте. Он служит противофильтрационной завесой и является альтернативой шпунту Ларсена. В отличие от металлических аналогов, геошпунт отличается экономичностью и большей долговечностью.

Почему мы:

  • Сертификаты: GM13, СТ РК, ГОСТ
  • Под ключ: от А до Я
  • Гарантия
  • Техподдержка
  • Оплата - как удобно вам

ТОО “Торговый дом KazPolimer”
№1 в Казахстане. Точка.

‪Телефон: +7 (701) 222 69 55‬
Почта: info@kazpolimer.kz
Адрес: РК, г. Алматы, мкр. Кайрат 282

Геошпунт

Геошпунт

Геошпунт SP 250 и SP 600 — это специализированные профили из ПВХ, предназначенные для создания защитных конструкций в грунте. Они обеспечивают эффективное соединение и устойчивость благодаря замковым механизмам.

Поперечный разрез поворотного элемента демонстрирует конструктивные особенности, позволяющие надежно соединять профили, обеспечивая дополнительную гибкость и адаптацию к условиям установки. Эти элементы способствуют повышенной герметичности и долговечности сооружений.

Области применение геошпунта

  • Полигоны ТКО и ПО
  • "Стена в грунте"
  • Ограждение промышленных зон
  • Хранилища опасных жидкостей
  • Дамбы и плотины
  • Защита от паводков
  • Рекультивация загрязненных земель

Устойчивость: к коррозии, истиранию, трещинам, температурным перепадам и УФ-излучению.

Преимущества

  • Более экономичен, чем металл
  • Легкий и простой в установке
  • Устойчив к коррозии и долговечен
  • Обладает достаточной несущей способностью
  • Экологически безопасен

Методы установки

  • Вибропогружение
  • Статическое вдавливание
  • Лидерная свая

Наиболее распространен метод с использованием вибропогружателя ESF 2.

SP 250

SP 600

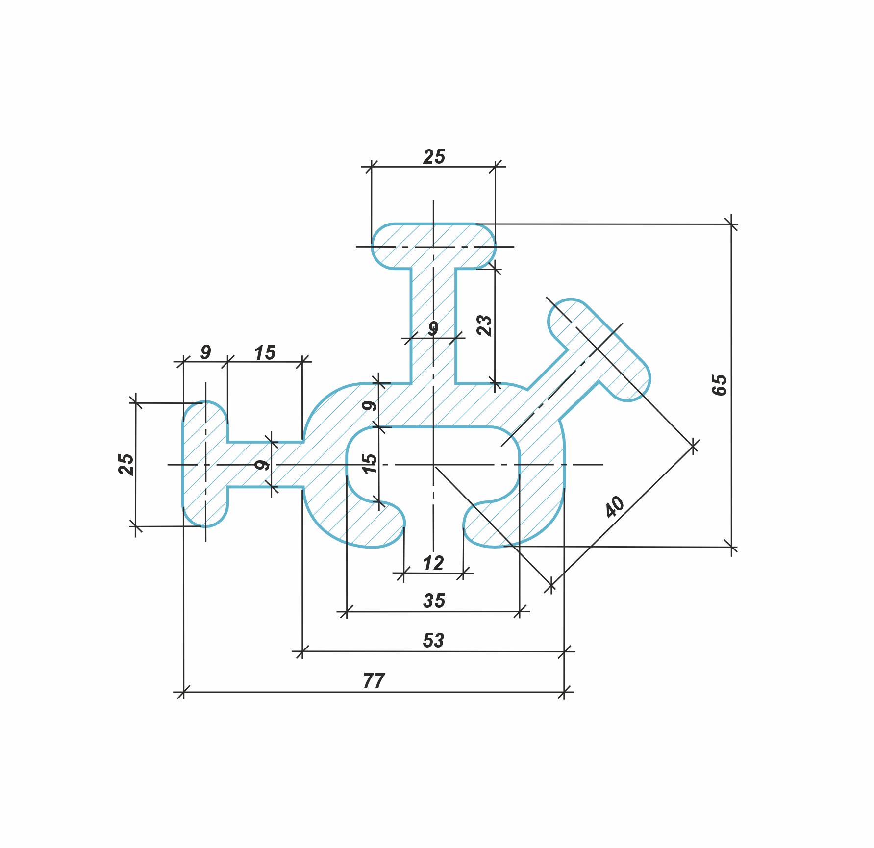
Поворотный элемент

Шапочная балка

Защита от наводнений

Искусственные каналы и водоемы

Берегоукрепление

Крепление геошпунтовой стенки

Технические характеристики

ГЕОШПУНТ
Показатель SP 250 SP 600
Прочность при растяжении, МПа, не менее 37
Допустимый момент, кН-м/м, не менее 17,22 22,42
Момент сопротивления, см³/м, не менее 830 976
Модуль упругости, МПа, не менее 2000
Момент инерции, см⁴/м, не менее 8563,3 11022
Теплопроводность, Вт/м*К, не менее 0,19
Температура эксплуатации, °С от -40 до +80
Толщина, мм 9,00
Глубина, мм 118,5 182
Длина, м до 15000 до 18000
Вес, м², кг 23
Материал ПВХ

Описание и преимущества:

Современный аналог: Профилированный геошпунт из ПВХ с замковыми соединениями позволяет создавать эффективные "стены в грунте" и используется как противофильтрационная завеса.
Экономическая выгода: Стоимость ПВХ значительно ниже, чем металла, используемого в шпунтах Ларсена. Это делает геошпунт более доступным, а его легкий вес уменьшает необходимость в специальной технике для транспортировки и монтажа.
Гибкость в установке: ПВХ шпунт легко обрезается на месте, обеспечивая оптимальную высоту во время установки. Его хранение и повторное использование просты, так как материал не требует консервации.

Долговечность и устойчивость:

  • Устойчив к УФ-излучению.
  • Не подвержен ржавчине и гниению.
  • Выдерживает перепады температур.
  • Устойчив к агрессивным химическим воздействиям.

Дополнительные преимущества:

  • Легкость установки: Меньшее трение облегчает установку на различных объектах.
  • Эстетичный внешний вид: Подходит для открытого использования без необходимости маскировки.
  • Экологичность: Нетоксичен и безопасен для окружающей среды.

Нам доверяют лидеры отрасли

ТОО Алайгыр
АО Баст
АО УКТМК
ТОО Казцинк
Bazis Construction
BI Group